AD SA Technologies - Sentier du Donjon 5 - CH-2000 Neuchâtel - Tél. +41 (0)32 721 36 30 - info@ad-sa.ch

FR Télégestion FR Electrotechnique FR Contact FR Home

Webdesign par à l’atelier - Réalisation et hébergement par Genevay Media Services

Nos Prestations

Dans un premier temps, s’il n’est pas disponible, nous établissons un cahier des charges sur la base de votre demande, puis un planning.

Ensuite, notre bureau d’étude pourra concevoir et réaliser le développement électrotechnique, ainsi que l’automation et la mise en service.

N’hésitez pas à nous solliciter pour une visite ou une offre, nous étudierons volontiers, et en toute confidentialité, votre demande, sans aucun engagement de votre part.

Les étapes que nous vous proposons en vue de constituer le dossier et de procéder à la réalisation de votre projet sont les suivantes :

Décider de l’architecture du système et choisir le matériel.

Nous pouvons bien entendu vous offrir nos services pour des mandats ne portant que sur une ou plusieurs étapes de votre projet.

Concevoir et dessiner les schémas électriques.

Élaborer les listes de matériel.

Approvisionner le matériel.

Exécuter le montage et le câblage des armoires

électriques.

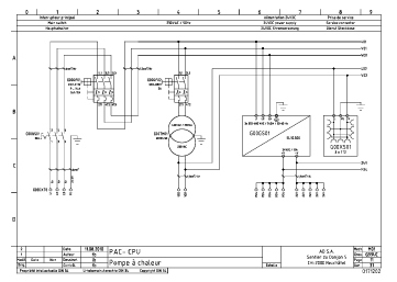
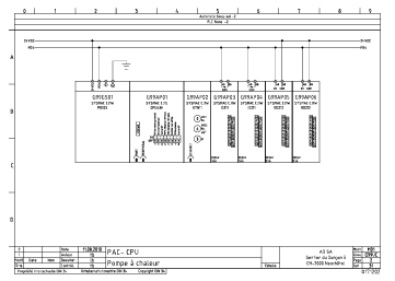
Schémas électriques

Écrire les programmes d’automates et des interfaces homme-machine.

Effectuer la mise en service de l’ensemble.

Constituer la documentation technique et l’instruction de service.

FR Electronique FR Mécanique
electrotechnique_image_2a electrotechnique_image_2b electrotechnique_image_2c

Listes de matériel

Programmes automates

Exécuter le câblage de l’installation.

Imprimer / Télécharger cette page dans un fichier PDF

EN Electrotechnique DE Electrotechnique